产品简述:
DSC倒筒式疏水阀991型采用行业领先的设计技术,能够在高压力和高温环境下稳定工作。这意味着您不仅能够高效排出冷凝水,还能有效降低蒸汽浪费,年均维护成本可减少30%。传统疏水阀使用一年后常因腐蚀或堵塞影响效率。而DSC倒筒式疏水阀991型采用全不锈钢抗腐蚀设计,我们在制造厂的案例显示,连续使用3年无故障,蒸汽利用率提升了25%。
产品功能:
1、倒筒式设计。
2、全不锈钢抗腐蚀结构。
3、智能自动感应排水。
4、大直径排水口设计。
5、易清洁维护结构。
产品优势:
1、高效分离冷凝水和蒸汽,排水能力强。
2、适应高温高压环境,耐腐蚀性强。
3、无需外部动力,稳定运行。
4、快速排出大量冷凝水,避免积存。
5、拆卸方便,无需专业工具。
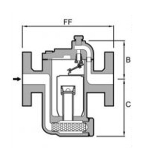
结构尺寸:

尺寸规格:
| 型号 | 法兰口径 | FF | B | C | 蒸汽压力 | 重量 |
| 991 | 15,20,25 | 170 | 76 | 100 | 17K |
4.6Kg |
应用领域:
制造业:减少蒸汽浪费,提高生产线效率,降低能耗成本。
能源行业:保障蒸汽系统的稳定运行,避免因冷凝水积聚导致设备故障。
化工行业:耐腐蚀设计,适应高温高压工况。
