科技资讯
倾佳电子户用储能一体机SiC功率级设计与共模噪声抑制专家报告
2025-09-30 10:32:07  浏览:102

倾佳电子户用储能一体机SiC功率级设计与共模噪声抑制专家报告

倾佳电子(Changer Tech)是一家专注于功率半导体和新能源汽车连接器的分销商。主要服务于中国工业电源、电力电子设备和新能源汽车产业链。倾佳电子聚焦于新能源、交通电动化和数字化转型三大方向,并提供包括IGBT、SiC MOSFET、GaN等功率半导体器件以及新能源汽车连接器。

倾佳电子杨茜致力于推动国产SiC碳化硅模块在电力电子应用中全面取代进口IGBT模块,助力电力电子行业自主可控和产业升级!

倾佳电子杨茜咬住SiC碳化硅MOSFET功率器件三个必然,勇立功率半导体器件变革潮头:

倾佳电子杨茜咬住SiC碳化硅MOSFET模块全面取代IGBT模块和IPM模块的必然趋势!

倾佳电子杨茜咬住SiC碳化硅MOSFET单管全面取代IGBT单管和大于650V的高压硅MOSFET的必然趋势!

倾佳电子杨茜咬住650V SiC碳化硅MOSFET单管全面取代SJ超结MOSFET和高压GaN 器件的必然趋势!

I. 户储一体机系统架构概述及 SiC 性能基准

1.1 户用储能系统 (ESS) 对 SiC 功率器件的性能需求、

户用储能系统(ESS)的设计目标是实现高效率、高功率密度和卓越的电网兼容性。为了最大化电池寿命并减少运营热损耗,系统要求能量转换效率通常需高于 97%。此外,鉴于户储设备对体积限制严格,高功率密度是必须满足的要求。碳化硅(SiC)技术凭借其独特的物理特性,成为实现这些设计目标的最佳技术路径。

SiC MOSFET 和 SiC Schottky 二极管具有超低的导通电阻 (RDS(on))、极低的开关损耗(Eon 和 Eoff),以及零或极低的反向恢复电荷特性。这些优势使得功率器件能够在极高的开关频率下运行,从而大幅减小磁性元件(如电感和变压器)的尺寸和重量,有效提高系统的功率密度。同时,SiC 器件具备高达 175∘C 的工作结温 (TJ) 范围,以及稳定的导通电阻正温度系数,确保了在恶劣环境下的运行可靠性 。

1.2 建议设计拓扑结构及功率链分解

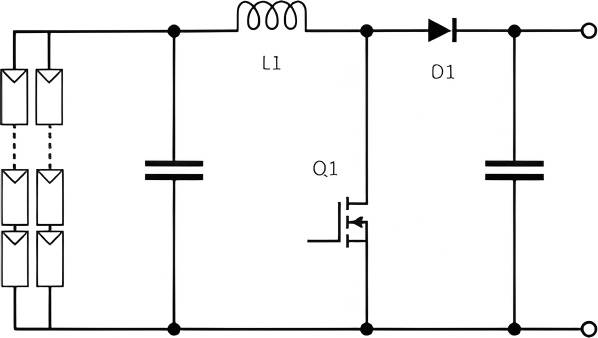
户储一体机的核心拓扑通常包含光伏输入、电池充放电管理和电网逆变三个主要功能模块。系统功率链的建议结构为:太阳能电池板 → MPPT 升压级 → 隔离式 DC-DC (DAB) → 电池组 → DC 耦合点 → 逆变器全桥 → 交流电网/负载。

本设计中,核心功率级器件的选择和定位如下:

MPPT 升压级 (Boost): 负责将光伏阵列输入的直流电压(通常在 100 V 至 550 V 范围)升压至稳定的中压直流母线 (DC link),例如 400 V 或 500 V。该级采用 B3M040065Z SiC MOSFET 和 B3D30065H SiC Schottky Diode 的非同步升压结构 。

电池 DC-DC 隔离级 (DAB): 采用双有源桥 (DAB) 拓扑,实现电池侧与高压母线之间的隔离和双向功率流控制。高压侧开关管选用 B3M040065Z SiC MOSFET 。

逆变器级 (Inverter): 采用全桥拓扑,将直流母线电压逆变为交流电输出至电网或本地负载。该级选用 B3M010C075Z SiC MOSFET 。

1.3 核心 SiC 功率器件关键参数对比与分析

对所选用的基本半导体 (BASiC Semiconductor) SiC 器件进行关键参数汇总,为后续设计提供性能基准:

核心 SiC 功率器件关键参数对比

器件型号功能定位VDS / VRRM (V)RDS(on),typ (mΩ) @ 25∘CRth(jc) (K/W)封装核心特性B3M040065ZMPPT/DAB (HV) MOSFET650400.60TO-247-4650 V 平台,Kelvin SourceB3D30065HMPPT Diode650N/A (VF: 1.34 V @ 30 A)0.56 (Typ)TO-247-2零反向恢复,低 QcB3M010C075Z逆变器 MOSFET750100.20TO-247-4银烧结,极低热阻

对上述参数的分析发现,系统热管理设计存在显著的异构性。B3M010C075Z 逆变器 MOSFET 的结到壳热阻 (Rth(jc)=0.20K/W) 显著低于 B3M040065Z MOSFET (Rth(jc)=0.60K/W) 。这种三倍的热阻差异是设计者必须关注的关键点。

这种低热阻特性主要得益于 B3M010C075Z 采用了银烧结(Silver Sintering)技术进行封装连接 。热阻是决定给定功耗下芯片结温升高的核心参数。热阻越低,芯片在工作时产生的热量越容易散发。这意味着逆变器(B3M010C075Z)能够以更小的温差承载更高的电流或开关频率。相比之下,MPPT 和 DAB 高压侧所使用的 B3M040065Z 器件热阻较高,其热限制将成为整个系统的功率密度瓶颈。因此,系统热设计必须优先针对 B3M040065Z 器件,确保其结温控制在安全范围内。

II. MPPT 升压变换器设计与损耗分析

2.1 拓扑选型与器件电压/电流裕度校核

MPPT 级通常采用非同步升压拓扑,以最大化光伏系统的发电效率。所选用的 B3M040065Z SiC MOSFET 和 B3D30065H SiC Schottky Diode 均具备 650 V 的额定电压 (VDSmax / VRRM) 。考虑到直流母线电压通常设定在 400 V 到 500 V 之间,650 V 的器件提供了至少 30% 的电压裕度,足以应对母线电压的瞬态波动,确保系统在高压环境中的可靠性。

电流能力方面,B3M040065Z 在 25∘C 壳温下具有 67 A 的连续漏极电流 (ID) 能力,在 100∘C 壳温下仍有 47 A 的连续电流能力 。对于几千瓦至十千瓦级别的户储系统而言,这一电流能力提供了充足的设计裕度。

2.2 B3M040065Z 的导通损耗与热稳定性评估

SiC MOSFET 的核心优势之一是其在高温下的性能稳定性,但导通电阻 (RDS(on)) 仍具有正温度系数。对于 B3M040065Z,该特性变化如下:

MPPT 升压级器件 B3M040065Z RDS(on) 热特性分析

温度 (TJ)VGS (V)RDS(on),typ (mΩ)RDS(on) 归一化25∘C18401.00175∘C18551.375

数据显示,在最大工作结温 175∘C 时,典型的导通电阻 (RDS(on),typ) 相比 25∘C 的 40mΩ 上升至 55mΩ 。这意味着在相同的均方根电流 ( Irms) 下,导通损耗 Pcond=Irms2⋅RDS(on) 将增加约 37.5%。因此,设计者必须以 175∘C 时的 RDS(on) 值作为最大功耗计算的依据,以防止高温高功率运行下的热失控现象,并确保在整个温度范围内都能满足热管理要求。

2.3 B3D30065H 的开关损耗优势与高频运行

MPPT 升压级的高效率,特别是高频操作的能力,主要依赖于 B3D30065H SiC Schottky 二极管。该二极管的核心优势在于其零反向恢复电流特性 。传统硅 (Si) 或快速恢复二极管 (FRD) 在关断时会产生显著的反向恢复电荷 ( Qrr),导致 MOSFET 导通时产生巨大的开关损耗 (Eon)。B3D30065H 彻底消除了这一损耗,从而使得 MPPT 能够稳定运行在 100 kHz 甚至更高的频率。

虽然没有 Qrr 损耗,但 SiC Schottky 二极管仍然存在由其结电容 (Coss) 引起的电容储能损失 (Ec)。B3D30065H 在 VR=400V 下的典型电容储能 Ec 仅为 13.8μJ,总电容电荷 Qc 为 90nC 。

在开关频率 (fsw) 下,二极管的总开关损耗主要由 Psw,diode=fsw⋅Ec 决定。如果 fsw 设定为 100 kHz,则二极管的开关损耗约为 100×103⋅13.8×10−6=1.38W。这一极低的损耗使得系统可以将开关频率推高,从而有效缩小输入电感的尺寸和重量,为户储一体机的高功率密度设计做出贡献。

2.4 驱动电路优化:Kelvin Source 的利用

B3M040065Z 采用 TO-247-4 封装,提供独立的 Kelvin Source 引脚(Pin 3)。这一四引脚封装设计对于 SiC MOSFET 的高频应用至关重要。

在高频开关过程中,功率回路中的大电流流经功率源引线时,其寄生电感 (LS) 会产生瞬态电压降 (ΔV=LS⋅di/dt)。如果没有 Kelvin Source,这个电压降会直接串联到栅极驱动回路中,扭曲实际的栅极-源极电压 (VGS),可能导致栅极振荡,甚至误导通或误关断。通过利用 Kelvin Source 引脚连接栅极驱动器的参考地,可以有效隔离功率回路和驱动回路的噪声干扰,确保栅极驱动信号的精确性,从而实现更快的开关速度(降低 tr,tf)并减少开关损耗。对于追求高频高效率的 MPPT 级而言,这是实现性能最大化的关键。

III. 电池 DC-DC 隔离变换器 (DAB) 高压侧应用

3.1 DAB 拓扑与软开关机制

双有源桥 (DAB) 变换器是隔离式储能系统管理电池充放电的首选拓扑,因为它能够实现双向功率流和高效率。DAB 的主要优点之一是易于通过相移控制实现零电压开关 (ZVS)。

ZVS 机制依赖于在死区时间内,利用开关管的输出电容 (Coss) 和回路中的储能电感(通常是漏感)进行谐振,确保晶体管在电压为零时导通。B3M040065Z SiC MOSFET 的输出电容 Coss 相对较小(在 VDS=400V 时典型值为 130 pF)。较小的 Coss 意味着在给定的死区时间内,所需的能量更少,或者充放电时间更短,这极大地简化了 DAB 拓扑中 ZVS 的实现难度,使得 DAB 能够在高频下保持高效率。

3.2 B3M040065Z 在高压侧的损耗与热约束

B3M040065Z 在 DAB 高压侧的应用中,虽然通过 ZVS 机制可以有效降低开关损耗,但仍需谨慎处理传导损耗和体二极管的使用。

传导损耗与热约束: 根据第一部分的分析,B3M040065Z 的 Rth(jc)=0.60K/W ,且其 RDS(on) 在高温 175∘C 时会增加到 55mΩ 。在设计 DAB 级时,必须基于 RDS(on) 的最坏情况(高温高值)来设置最大功率传输点,以确保结温 TJ 不超过 175∘C 的限制。由于其热阻远高于逆变器器件,DAB 级对散热系统提出了更高的要求。

体二极管性能: 尽管 SiC MOSFET 的体二极管的反向恢复特性远优于 Si 器件,但 B3M040065Z 的体二极管在 ISD=40A 时的正向压降 (VSD) 较高,且在 400V/20A 下仍存在约 100nC 的反向恢复电荷 (Qrr)。在高电流密度下,长时间依赖体二极管续流可能会带来额外的损耗。因此,在 DAB 的相移控制中,应优化死区和移相角,确保功率在主通道通过 MOSFET 导通进行双向传输,避免长时间使用体二极管。

IV. 逆变器全桥拓扑性能评估与高频调制

4.1 B3M010C075Z 的高功率密度潜力与高压裕度

逆变器级采用 B3M010C075Z SiC MOSFET,其额定电压 VDS=750V 。这一电压等级高于 MPPT/DAB 所用的 650 V 器件,为直流母线(例如 500 V)提供了更宽的安全裕度,尤其是在电网瞬变或高功率充放电导致直流母线电压波动时,保障了系统的鲁棒性。

B3M010C075Z 的核心优势在于其极低的热阻 Rth(jc)=0.20K/W ,这得益于其采用的银烧结(Silver Sintering)工艺。低热阻是实现户储一体机高功率密度的关键支撑。它确保了器件在承载高电流和高频率开关时,壳温到结温之间的温差 ( ΔTJC) 极小。这种优异的散热性能允许设计者将开关频率推至 50 kHz 或更高,同时保持极高的电流承载能力,从而实现逆变器模块的尺寸最小化。

4.2 B3M010C075Z 的开关损耗分析与效率预测

B3M010C075Z 的开关能量性能是决定系统整体效率的关键因素。在典型测试条件 (VDC=500V,ID=80A,RG(ext)=10Ω) 下,其开关能量表现出极高的温度稳定性:

B3M010C075Z 在逆变器应用中的典型开关能量 (VDC=500V,ID=80A)

结温 (TJ)Eon (含 Qrr) (μJ)Eoff (μJ)Etotal (μJ)25∘C910 (体二极管 FWD)625 (体二极管 FWD)1535175∘C950 (体二极管 FWD)700 (体二极管 FWD)1650

数据显示,从 25∘C 上升至最大结温 175∘C 时,总开关能量 Etotal 仅增加了约 7% 。这种极佳的损耗温度稳定性是 SiC 技术区别于传统硅器件的标志性特征。这意味着逆变器可以在高温环境下稳定运行,无需因高温导致开关损耗显著增加而进行大幅降额,极大地提高了设计的鲁棒性和持续功率输出能力。

4.3 建议的死区时间 (Dead Time) 设定

由于 B3M010C075Z 的开关速度极快,其典型上升时间 tr=45ns,下降时间 tf=16ns(在 25∘C 时),这要求逆变器的死区时间 ( τdead) 必须设定得非常短,以避免输出电流波形失真(即 Vout 谐波失真)。

设计优化应充分利用 TO-247-4 封装提供的 Kelvin Source,以有效抑制开关瞬态引起的栅极振荡。通过精确的驱动器设计,死区时间可以安全地降低到 100 ns 甚至更短。精确设置死区时间对于高频调制和满足严格的电网谐波要求至关重要。

V. 核心控制策略:双极性调制与共模噪声抑制机理

5.1 共模电压和共模电流的产生机理及其危害

在基于 PWM 调制的全桥逆变器中,共模噪声的产生是高频开关操作的固有挑战。逆变器桥臂在开关时产生的快速电压跳变率 (dv/dt),会作用于寄生在功率电路与地之间的电容(例如散热器对地电容、滤波器元件对地电容等)。这种 dv/dt 激励在系统和地之间产生共模电压 (VCM),进而驱动共模电流 (ICM) 流动。

ICM 的存在会带来多重危害:首先是产生严重的电磁干扰 (EMI),可能导致系统无法通过电磁兼容性测试;其次,在高功率系统中,ICM 可能导致接地故障保护装置的误动作,影响系统可靠性。因此,有效抑制 ICM 是户储逆变器设计的关键指标。

5.2 深度分析:双极性调制 (Bipolar SPWM) 与共模噪声的矛盾

标准的全桥双极性正弦脉宽调制 (Bipolar SPWM) 策略,其两个桥臂的输出电压 VA 和 VB 会始终在直流母线电压 ±VDC/2 之间切换。在此调制下,逆变器的中性点共模电压 VCM 定义为 VCM=(VA+VB)/2。由于 VA 和 VB 始终处于反相工作状态,其和 (VA+VB) 并不是恒定的,而是以开关频率的两倍频率在三个电位 (0,±VDC/2) 之间快速切换。因此,标准双极性调制并不能保持共模电压恒定,反而会导致共模电压瞬时值的剧烈变化,产生较大的共模 dv/dt,从而激励 ICM。

若要实现共模电压的恒定或有效钳位,则应考虑以下两种更优的调制策略:

单极性 SPWM (Unipolar SPWM): 在该策略中,零矢量状态下两个桥臂中总有一个桥臂保持常开或常关状态。其 VCM 可以在零矢量期间被锁定在 VDC/2。这种策略虽然 VCM 仍有变化,但其幅值变化较小,且共模电流谐波能量被推向更高的频率。

特定空间矢量调制 (SVM) 策略: 例如,零矢量选择策略 DPWM0 或 DPWM1。这些高级 SVM 策略能够有选择地消除或减小零矢量,使得共模电压始终保持在 VDC/2(即实现 VCM 钳位),从而从根本上抑制共模电流的产生。

5.3 高频调制在高频下的实际贡献

尽管标准双极性调制在本质上不利于共模噪声抑制,但 SiC 器件带来的高频调制能力仍然是抑制 ICM 的重要手段。

B3M010C075Z 支持开关频率提高至 50 kHz 甚至更高 。高频调制将共模电压的谐波能量推向高频段。在较高频率下,功率系统中的寄生电容(如 Cp) 表现出较低的容抗,而共模扼流圈和 Y 电容等 EMI 滤波器组件在设计上对高频噪声具有更高的衰减能力。因此,通过高频调制,可以使用尺寸更小、成本更低的无源滤波器组件,有效地对共模电流进行高衰减率滤波,从而在系统层面实现 ICM 的有效抑制。

VI. 系统级热管理、可靠性与功率密度提升

6.1 基于热阻 Rth(jc) 的散热系统设计要求

系统级热管理必须针对不同器件的热阻特性进行分级设计,这是实现一体机高功率密度的关键前提。

MPPT/DAB 散热重点: B3M040065Z 的热阻为 Rth(jc)=0.60K/W 。如果 DAB 或 MPPT 级器件的平均总损耗设定为 20W,则结温与壳温的温差为 ΔTJC=20W⋅0.60K/W=12∘C。由于 Rth(jc) 较高,一旦环境温度和散热器效率下降,结温很容易超过 175∘C 的限制。因此,MPPT/DAB 级必须采用高效的散热方案(例如使用性能优异的热界面材料和液冷或高风量风冷系统),确保器件壳温 TC 维持在远低于 160∘C 的水平,以避免因 RDS(on) 随温度升高而产生的恶性循环。

逆变器散热优势: B3M010C075Z 的热阻为 Rth(jc)=0.20K/W 。即使逆变器总损耗高达 50W,其 ΔTJC=50W⋅0.20K/W=10∘C。这意味着冷却系统只需将壳温 TC 维持在 165∘C 以下即可保证安全运行。这种极低的热阻特性极大地简化了逆变器模块的散热设计,并支持更高的电流瞬变能力。

6.2 银烧结工艺 (Silver Sintering) 对可靠性的贡献

B3M010C075Z 采用的银烧结工艺 是其热性能和可靠性优于 B3M040065Z 的关键因素。传统的功率模块通常使用软焊料连接芯片与基板。银烧结技术使用银微粒在低温下烧结形成固态连接,这种连接相比软焊料具有更高的导热系数和更高的熔点。

在户用储能系统这种功率波动频繁的应用中,功率循环(Power Cycling,频繁的加热和冷却)是导致功率模块失效的主要机制。银烧结材料能够显著提高模块的功率循环和热循环寿命,因为它能更好地承受由热应力引起的机械疲劳,从而确保了 B3M010C075Z 逆变器模块在长期高电流应力下的连接可靠性,延长了产品的平均故障间隔时间(MTBF)。

6.3 寄生参数对 SiC 高频开关的影响及布局建议

SiC MOSFET 的极快开关速度(数十纳秒)使得功率回路和栅极驱动回路中的寄生电感和电容成为影响性能和可靠性的关键因素。

快速的电流变化率 (di/dt) 会在直流母线寄生电感 (Lσ) 上产生巨大的尖峰电压 (VDS 过冲),可能超过器件的 750 V 额定电压。因此,必须在物理布局上采取措施:

低电感设计: 采用层叠母线(Laminated Bus Bar)结构连接直流母线电容和逆变器桥臂,最大限度地减少杂散电感 Lσ。

Kelvin Source 利用: 必须使用 TO-247-4 封装提供的 Kelvin Source(Pin 3)引脚 来连接栅极驱动器,以消除功率回路噪声对 VGS 信号的影响,优化开关瞬态。

缓冲器 (Snubber): 尽管 SiC 器件开关损耗极低,但仍需考虑在逆变器端增加 RCD 缓冲电路,以吸收由寄生电感引起的尖峰能量,将 VDS 过冲限制在安全范围内,充分利用 B3M010C075Z 的 750 V 电压裕度。

深圳市倾佳电子有限公司(简称“倾佳电子”)是聚焦新能源与电力电子变革的核心推动者:

倾佳电子成立于2018年,总部位于深圳福田区,定位于功率半导体与新能源汽车连接器的专业分销商,业务聚焦三大方向:

新能源:覆盖光伏、储能、充电基础设施;

交通电动化:服务新能源汽车三电系统(电控、电池、电机)及高压平台升级;

数字化转型:支持AI算力电源、数据中心等新型电力电子应用。

公司以“推动国产SiC替代进口、加速能源低碳转型”为使命,响应国家“双碳”政策(碳达峰、碳中和),致力于降低电力电子系统能耗。

需求SiC碳化硅MOSFET单管及功率模块,配套驱动板及驱动IC,请搜索倾佳电子杨茜

VII. 结论与设计优化建议

本报告对户储一体机设计中选用的基本半导体 SiC 功率器件进行了全面的性能评估、热管理分析和控制策略优化。用户选定的 B3M040065Z、B3D30065H 和 B3M010C075Z 组合在电压等级和性能上是合理的,特别是 B3M010C075Z 凭借其 10mΩ 的低导通电阻和 0.20K/W 的超低热阻(通过银烧结实现),为逆变器高功率密度和高可靠性提供了强力支持。

基于深入分析,提出以下关键设计优化建议:

调制策略调整与共模噪声抑制: 建议逆变器采用单极性 SPWM 或特定的 SVM 策略(如 DPWM0),实现共模电压在 VDC/2 的有效钳位,从根源上抑制共模电流 (ICM) 的产生。结合 B3M010C075Z 的高频能力,将剩余噪声推向更高频段,便于滤波。

热管理分级策略: 由于 B3M040065Z 所在的 MPPT/DAB 级热阻 (0.60K/W) 远高于逆变器级 (0.20K/W),应将 MPPT/DAB 级作为系统的热设计重点。散热系统必须基于 B3M040065Z 在 175∘C 时 RDS(on)=55mΩ 的最差情况进行严格的壳温控制。

高频驱动与布局优化: 充分利用 B3M040065Z 和 B3M010C075Z 的 TO-247-4 封装提供的 Kelvin Source 引脚,设计精确的栅极驱动器。死区时间应设定在 100 ns 甚至更短,以匹配 SiC 的快速开关特性,确保高频调制下的波形质量。同时,采用低电感母线结构来最大限度地减少开关瞬态过冲。